1МБИ400НП-120 је снажан и поуздан ИГБТ модул који је направио Фуји Елецтриц.Изграђена је за послове велике снаге попут покретачких мотора, УПС система и других индустријских машина.Овај чланак објашњава шта модул ради, његове главне карактеристике, где се користи и како се то упоређује са сличним производима.
Каталог
Тхе 1МБИ400НП-120 је високо-перформанси ИГБТ модул из Н серије Фуји Елецтриц, дизајн за захтевне апликације за пребацивање електричне енергије.Овај модул интегрише изоловани биполарни транзистор са брзом опоравком против паралелних диода и уграђених зенер диода, осигуравајући стабилно управљање напоном и ефикасним перформансама.Подржава брзину велике брзине са ниским губитком снаге, захваљујући способностима напона и структури модула са ниским индуктивним модулом.Са рејтинг напона колектора од 1200В и континуираном струјом колектора од 400а, идеалан је за апликације као што су моторни погони, индустријски претварачи, УПС системи и опрема за заваривање.Дизајниран је за рад на температури раскрснице од 150 ° Ц и расипати до 3100В снаге, 1МБИ400НП-120 осигурава трајност у оштрим индустријским окружењима.Његова поузданост и робустан дизајн чине га пожељним избором у електроенергетској електроници.
За оне који желе да оптимизују своје системе моћи, сада је савршено време да своје расуте наруџбе поставите модул 1МБИ400НП-120.
1МБИ400НП-120 је направиоФуји Елецтриц Цо, Лтд.је водећи јапански произвођач електричне електронике и индустријских система, основано 1923. године и са седиштем у Токију.Познат по својој иновацији у енергетици и еколошким технологијама, Фуји електрични производи широк спектар производа, укључујући полуводиче, претвараче и погонске системе.Компанија делује на глобалној Азији, Северној Америци и Европи, служења индустрије као што су производња, инфраструктурна и енергија.Са снажним фокусом на одрживост, Фуји Електричности и даље развија решења која подржавају ниско-карбонско друштво.

Овај дијаграм је приказан је еквивалентни круг 1МБИ400НП-120, ИГБТ (изоловани биполарни транзистор) модул.Ова врста модула комбинује Карактеристике уноса МОСФЕТ-а са Излазна контрола биполарног транзистора, оптимизован за ефикасно пребацивање електричне енергије.У дијаграму, терминал г представља Капија, Ц Колекционари Е емитер.
Круг укључује уграђени круг ограничавајући крум, који је истакнут у дијаграму.Ова заштитна функција помаже у заштиту ИГБТ-а од оштећења због претјеране струје ограничавајући вожњу капије у случају квара.Поред тога, Интерни диоде за слободно време повезани су преко колекционара и емитера, пружајући пут за индуктивне струје оптерећења када ИГБТ искључи.Капија је такође заштићена од стране Пар зенер диода тај шпице за стезање, помажући у спречавању квара оксида капије.
• Пребацивање велике брзине - Омогућава ефикасан рад у високофреквентним апликацијама.
• Напон - Поједностављује захтеве за погоном врата и побољшава контролу.
• Структура модула ниске индуктивности - Смањује губитак буке и снаге током пребацивања.
• Интегрисана брза диода за опоравак - Побољшава реверсе перформансе опоравка и минимизира губитке пребацивања.
• Уграђене зенер диоде - Пружа заштиту од надолажних напона и обезбеђује стабилну операцију.
• Високо колор-емитер рејтинг - Оцењено на 1200В, погодан за средње до високонапонске апликације.
•
Велико струјни капацитет колектора - Подржава до 400А континуираног колектора.
• Могућност дисипације снаге велике снаге - Омогућује до 3100В расипања топлоте.
• Толеранција температуре високе раскрснице - Поуздано делује на температурама до 150 ° Ц.
• Компактни и храпи дизајн - Идеалан за оштре индустријске окружења и свемирске инсталације.
• Прекидач велике снаге: Погодно за системе који захтевају ефикасно руковање значајним електричним оптерећењима.
• А.Ц. контроле мотора: Идеално за контролу АЦ мотора у различитим индустријским и комерцијалним подешавањима.
• Д.Ц. контроле мотора: Применљиво у ДЦ моторним системима, пружајући прецизну контролу и ефикасност.
• Непрекидни напајање (УПС): Појачава поузданост и перформансе УПС система ефикасно управљањем електроенергетских прелаза.

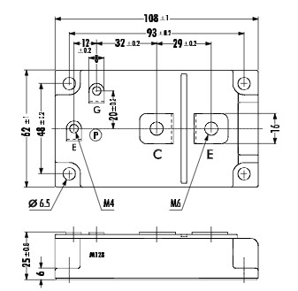
Тхе Општи отисак модула је Дужина 108 мм и 62 мм ширине, са а висина приближно 15,8 мм, што га чини компактним ипак погодним за високо напајање.
Цртеж је одређује положаје главних терминала-Колекционар (ц), емитер (е) и капија (г)-Ко је јасно обележен и размакнут за лаку идентификацију и сигурну везу.Тхе колекционарски терминал је централно смјештен, док су терминали емитера постављени на обе стране.Терминал капије је изолован и мањи, са оближњим емитерима и помоћним емисијама за подршку контролним спојницама. Рупе за монтирање су 6,5 мм пречника, а модул укључује М4 и М6 Вијак терминали за механичке и електричне везе.
Предмети
|
Симбол
|
Оцењивање
|
Јединице
|
Колекционарски напон емитера
|
ВЦЕС
|
1200
|
У
|
Капија -Емиттер напон
|
ВГЕС
|
± 20
|
У
|
Колекционар
Струја
|
Непрекидан
|
Иц
|
400
|
А
|
1мс
|
ИЦ Пулсе
|
800
|
Непрекидан
|
-Ино
|
400
|
1мс
|
-Ико пулс
|
800
|
Макс.Моћ
Распуштање
|
Пц
|
3100
|
Ви
|
Радна температура
|
Тј
|
+150
|
° Ц
|
Складиштење
Температура
|
Тстг
|
-40 до
+125
|
° Ц
|
Изолација
Напон
|
А.Ц 1 мин.
|
У виду
|
2500
|
У |
Вијак
Обртни момент
|
Уградња
* 1
|
3.5
|
Нм
|
Монтажа * 2
|
4.5
|
Терминали
* 3
|
1.7
|
Електрични
Предмети
|
Симболи
|
Услови за тестирање
|
Мин.
|
Тип.
|
Макс.
|
Јединице
|
Зеро Капија
Струја колектора напона
|
ЈаЦес
|
ВГЕ = ОВ, ВЦЕ = 1200 В
|
-
|
-
|
4.0
|
мр
|
Капија-
Струја цурења емитера
|
ЈаГес
|
Вце = 0в, ВГЕ = 20В
|
-
|
-
|
60
|
μА
|
Промашилица
Праг напона
|
УГЕ (ТХ)
|
ВГЕ = 20В, ИЦ = 400мА
|
4.5
|
-
|
7.5
|
У
|
Колекционар-
Напон засићења
|
УЦЕ (сат)
|
ВГЕ = 15В, ИЦ = 400 А
|
-
|
-
|
3.3
|
У
|
Улаз
Капацитет
|
Циес
|
ВГЕ = 0в
|
-
|
64000
|
-
|
пф
|
Излаз
Капацитет
|
Цоес
|
ВЦЕ = 10В
|
-
|
23200
|
-
|
Обрнут
Преношење капацитета
|
Црезолуција
|
Ф = 1МХз
|
-
|
20640
|
-
|
Време за улазак
|
тУ
|
ВЦЦ = 600В
|
-
|
0.75
|
1.2
|
μс
|
тр
|
ИЦ = 400А
|
-
|
0,25
|
0.6
|
Искључивање
Време
|
тИскључен
|
ВГЕ = ± 15В
|
-
|
1.05
|
1.5
|
ТР
|
РГ = 1,8 Ω
|
-
|
0,35
|
0.5
|
Диода
Напред на напон
|
УФ
|
ИФ = 400А, ВГЕ = 0В
|
-
|
-
|
3.0
|
У
|
Обрнут
Време опоравка
|
трзај
|
ИФ = 400А
|
-
|
-
|
350
|
нс
|
Термички
Предмети
|
Симболи
|
Услови за тестирање
|
Мин.
|
Тип.
|
Макс.
|
Јединице
|
Топлотни отпор
|
РТХ (Ј-Ц)
|
Игбт
|
-
|
- |
0.04
|
◦ц / в
|
РТХ (Ј-Ц)
|
Диода
|
-
|
-
|
0.12
|
РТХ (Ц-Ф)
|
Са термичким једињењем
|
-
|
0.0125
|
-
|
• Висока ефикасност - Омогућује ниске губитке за пребацивање и минимално расипање снаге, што доводи до побољшаног укупног ефикасности система.
• Поуздан перформанс - Уграђене функције заштите, као што су ЗЕНЕР диоде, побољшавају сигурност и стабилност уређаја под различитим условима.
• Компактни дизајн - Изглед модула за уштеду простора омогућава лакшу интеграцију у компактне електроенергетске системе и контролне плоче.
• Високо руковање електричном енергијом - Подржава велике струје сакупљања (400А) и високог напона (1200В), погодним за тешке апликације.
• Термичка трајност - Поуздано делује на температурама Јунцтион до 150 ° Ц, чинећи га идеалним за оштре окружења.
• Свестрана употреба апликације - Применљиво у широком распону индустрија, укључујући моторне погоне, УПС и индустријску аутоматизацију.
• Смањено електромагнетно сметње (ЕМИ) - Структура модула са ниским индуктивним модулом помаже умањити буку у осетљивој електроници.
• Економичан рад - Појачава уштеду енергије и снижава дугорочне трошкове одржавања због трајности и ефикасности.
• Прегревање
- Узроковано лошим хлађењем или пренаселити се, то се може решити коришћењем одговарајућих топлотних судопера, хлађења вентилатора и редовног термичког одржавања.
• Неуспјех погона у капију - јавља се због погрешног напона капије или неисправности управљачког програма, који се може фиксирати коришћењем компатибилних управљачких програма са одговарајућим нивоима напона и функцијама заштите и заштите заштите.
• Кратки круг или пренасути - резултира изненадним струјним шиљцима и може се спречити постављањем брзих осигурача или електронских кола.
• Замор за зглоб за лемљење - Покренули су поновљеном топлотном бициклом, то се може ублажити побољшаним топлотним управљањем и редовним инспекцијама.
• Транспортни напон - узроковано високим ДВ / ДТ или шиљцима, оне се могу управљати употребом Снуббер кругова или уређаја за стезање напона.
|
Карактеристике
|
1МБИ400НП-120
|
1МБИ400У4Х-120
|
Серија
|
Н серија
|
У4Х серија
|
Напон колектора-емитера (ВЦес)
|
1200В
|
1200В
|
Струја колектора (ИЦ)
|
400А
|
400А
|
Расипање снаге
|
3100В
|
Није наведено
|
Температура раскрснице (Тј)
|
150 ° Ц
|
150 ° Ц
|
Брзина пребацивања
|
Пребацивање велике брзине
|
Пребацивање велике брзине
|
Напон
|
Да
|
Да
|
Структура модула
|
Ниска индуктивност
|
Ниска индуктивност
|
Интегрисане компоненте
|
Брзо опоравак против паралелне диоде,
Уграђене зенер диоде
|
Брзо опоравак против паралелне диоде,
Уграђене зенер диоде
|
Апликације
|
Прекидач са високим електричним напајањем, АЦ / ДЦ мотор
Контроле, УПС, индустријске машине
|
Прекидач са високим електричним напајањем, АЦ / ДЦ мотор
Контроле, УПС, индустријске машине
|
Тип пакета
|
Стандардни индустријски модул
|
Стандардни индустријски модул
|
Димензије
|
Није наведено
|
Није наведено
|
Тежина
|
Није наведено
|
Није наведено
|
1МБИ400НП-120 је одличан избор да било ко треба моћан и ефикасан ИГБТ модул.Добро делује у тешким окружењима, рукује високом струјом и траје дуго.Ако тражите висококвалитетни модул напајања, то је вредно разматрати за расути наређења.
ДатаСхеет ПДФ
1МБИ400НП-120 Датасхеетс:
1МБИ400НП-120 Детаљи ПДФ1МБИ400НП-120 Детаљи ПДФ за фр.пдф1МБИ400НП-120 Детаљи ПДФ за кр.пдф1МБИ400НП-120 Детаљи ПДФ за ИТ.пдф1МБИ400НП-120 Детаљи ПДФ за ЕС.пдф1МБИ400НП-120 Детаљи ПДФ за ДЕ.ПДФ
Поделите овај пост